Update: 1/6/2020: I have taken micrographs of many more steels which you can see here.
Recently I had samples of Niolox, CPM-154, and AEB-L analyzed with SEM. Vilella’s reagant was used which is common for tool steels and martensitic stainless steels because it etches the martensite matrix so it is dark and leaves the carbides bright. The compositions for the three steels:
| C | Cr | Mo | Nb | V | Mn | Si | |
| AEB-L | 0.68 | 13 | 0.6 | 0.4 | |||
| CPM-154 | 1.05 | 14 | 4 | Unlisted | Unlisted | ||
| Niolox | 0.8 | 12.7 | 1.1 | 0.7 | 0.9 | Unlisted | Unlisted |
Each was austenitized for 15 minutes, oil quenched, dipped in liquid nitrogen for 30 minutes, and tempered twice for an hour each time. They were then imaged in the transverse direction (rolling direction is horizontal and normal direction is vertical). Here are secondary electron images of each at 1000x:

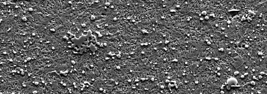
CPM-154

AEB-L

Niolox
The powder metallurgy process successfully refines the carbides of 154CM and the carbides are nicely spheroidized (round). However, the carbides of AEB-L are much smaller than CPM-154 which is part of why the toughness of AEB-L is significantly better. The carbides of AEB-L are smaller primarily because of the much smaller volume of carbide. As far as I know this is the first published micrograph of Niolox. The carbides in Niolox are generally small but there are some larger carbides mixed in. The micrographs of CPM-154 and AEB-L look very similar to micrographs previously given to me by Sandvik metallurgists of CPM-154 and 13C26, while conventional 154CM has significantly larger carbides:

CPM-154 imaged by Sandvik

13C26 imaged by Sandvik

154CM imaged by Sandvik
The Niolox microstructure looks relatively similar to 19C27, which is an “in-between” stainless that has lower carbide volume than steels like 154CM or 440C but significantly more than AEB-L, for a combination of moderate toughness and wear resistance. 19C27 also has many small carbides with some larger “primary” carbides mixed in. The primary carbides are those that form at very high temperatures; they are typically difficult to dissolve at high temperature and are usually larger than the secondary carbides which dissolve and re-precipitate during heat treating or forging.

19C27 imaged by Sandvik
In the case of the new images I have them for a range of magnifications and also backscattered electron (BSE) images. With backscattered imaging heavy elements backscatter electrons more strongly than lighter elements and therefore appear brighter in the image, allowing the differentiation between different carbide types. Here is an example for Niolox where you can see the difference in type:

Niolox – Backscattered electron imaging
Energy-Dispersive X-ray Spectroscopy (EDS) was also used, which is a method to measure composition within SEM imaging. It is not a high precision method and is not perfect because the interaction volume of the electron beam is often larger than the area being analyzed, leading to interactions with nearby microconstituents. However, approximate compositions can be determined, as is seen when measuring EDS of the “white” carbides in the BSE images, which confirms that they are Nb-rich carbides:

No vanadium carbides were observed, though there was some vanadium enrichment of the chromium and niobium carbides, as can be seen in the Nb carbide spectra above as well as a chromium carbide:

No Mo-based carbides such as Mo2C or Mo6C were detected in CPM-154 but Mo-enrichment was present in the Cr-carbides:

EDS can also be used to measure the composition of the matrix, so I have summarized here the chromium and molybdenum content of the matrix which controls the degree of corrosion resistance of the steel:
| Austenitize | Temper | Matrix Cr% | Matrix Mo% | |
| AEB-L | 1950 | 350 | 11.7 | 0.2 |
| CPM-154 | 1950 | 450 | 9.4 | 3.4 |
| Niolox | 1975 | 350 | 11 | 1.0 |
Those values compare pretty well with those calculated with Thermodynamic software:
| ThermoCalc | Matrix Cr% | Matrix Mo% | JMatPro | Matrix Cr% | Matrix Mo% | |
| AEB-L | 11.5 | 0 | 11.4 | |||
| CPM-154 | 10.6 | 3.1 | 9.7 | 3.1 | ||
| Niolox | 11.1 | 1.0 | 11.1 | 1.0 |
I also measured the carbide volume for each of the steels through point counting:
| Austenitize | Temper | NbC (%) | CrC (%) | |
| AEB-L | 1950 | 350 | 6.5 | |
| CPM-154 | 1950 | 450 | 16 | |
| Niolox | 1975 | 350 | 1 | 8 |
Crucible lists the carbide volume of CPM-154 as 17.5% [1], so my value is definitely in the right ballpark. More precise measurements would require analysis of a statistically significant number of micrographs, but these numbers are sufficient for comparison. As far as I know there are no published values for carbide volume of AEB-L or Niolox. The niobium carbides of Niolox could be differentiated using the backscattered electron images. Here are the calculated carbide volumes from the Thermodynamic software:
| ThermoCalc | NbC | CrC | JMatPro | NbC | CrC | |
| AEB-L | 1.6 | 2.8 | ||||
| CPM-154 | 8 | 12.3 | ||||
| Niolox | 0.8 | 3.8 | 1.2 | 4.6 |
There is somewhat of a discrepancy between JMatPro and ThermoCalc in terms of the carbide volume calculated for CPM-154; JMatPro appears to be calculating a more accurate value. Both underpredicted the carbide volume measured, which is likely because the Thermodynamic software assumes an infinite hold time at the austenitizing temperature and does not factor in kinetics (speed of transformation).
So there is some (relatively) in-depth analysis of the microstructures of AEB-L, CPM-154, and Niolox. I hope you enjoyed it! I only wish we could do similar analysis with every steel.
[1] http://www.crucible.com/PDFs/DataSheets2010/Datasheet%20CPM%20154%20CMv12010.pdf

Hi,
Have you tried OpenCalphad thermodynamic software ?
I haven’t used it. It must be compiled to use it at all and you must provide your own databases. I believe MatCalc has a free steel database but I don’t know anything about it. Even among commercially available thermodynamic software they vary widely in ease of use so even if you got it all going it may not be intuitive. Let us know if you find something interesting.
Hi,
well,
its not difficult to build or run,
its text based (scripts)
and the demo produces gnuplot pictures and text output which are interesting ,
but the knowledge and vocabulary demands are high 🙂
See
http://www.cliffstamp.com/knives/forum/read.php?24,65185,70096#msg-70096
https://github.com/sundmanbo/opencalphad/tree/master/macros
The question is: now what? Steel database?
You mean I can’t just punch in
composition numbers for a steel like AEB-L
and generate carbide volume numbers?
This looks interesting cause I recognize the carbide “Cementite” 🙂
but this just appears to be data from database steel7.TDB
https://github.com/sundmanbo/opencalphad/tree/master/macros/steel7.TDB
https://github.com/sundmanbo/opencalphad/tree/master/macros/melting.OCM
Calculating multicomponent single equilibria
Including the melting point of the alloy
…
List of stable and entered phases
No tup Name Mol.comp. Comp/FU dGm/RT Status1 Status2
13 41 FCC_A1_AUTO#2 9.42E-01 1.03 0.00E+00 10 40X
30 30 M6C 5.80E-02 7.00 0.00E+00 10 40X
1 1 LIQUID 3.01E-09 1.00 0.00E+00 410 40X
2 2 BCC_A2 0.00E+00 1.01 -1.64E-02 10 0X
16 16 FE4N 0.00E+00 4.02 -1.28E-01 10 0X
13 13 FCC_A1#1 0.00E+00 1.77 -1.49E-01 10 0X
39 39 SIGMA 0.00E+00 30.00 -1.51E-01 10 0X
5 5 CHI_A12 0.00E+00 58.00 -1.78E-01 10 0X
31 31 M7C3 0.00E+00 10.00 -1.96E-01 10 0X
26 26 M23C6 0.00E+00 29.00 -2.15E-01 10 0X
24 24 KSI_CARBIDE 0.00E+00 4.00 -2.20E-01 10 0X
4 4 CEMENTITE 0.00E+00 4.00 -2.23E-01 10 0X
23 23 HCP_A3 0.00E+00 1.25 -2.94E-01 10 0X
37 37 R_PHASE 0.00E+00 53.00 -3.16E-01 10 0X
… remaining phases further from stability
melting.OCM seems short enough to maybe follow and use as a template … for something
but steel7.TDB is daunting/indecipherable
You’re making my brain hurt and I haven’t even tried to run it yet!
Larrin – thanks for posting these photos and info. They sure show why AEB-L is such a good blade material with those fine tiny carbides.
Ken H>
Would there be any difference if the samples were plate quenched instead of oil quenched?
Since these are all air hardening steels any difference in microstructure would be extremely subtle if present at all.
This is great to see! I use a lot of AEB-L s I find the pictures very interesting. Thank you.
Have you met micrographs of N690co?
There is a micrograph of N690 in this article: https://knifesteelnerds.com/2018/05/14/why-there-is-cobalt-in-vg-10/
Definitely great work! The only thing i don´t understand is that Niolox did much worse in your toughness tests than CPM 154. Especially when you compare the carbid volume of both Steels. In my testing Niolox was tougher than CPM 154 and much tougher than D2 at same Hardness (not very scientific but a nice bend test on Niolox/ SB1 search for: “Bruchtest SB1 vs. D2 (1.2379)” on YT).
best regards
In a bend test the thickness matters. That’s why the D2 doesn’t bend as far. https://knifesteelnerds.com/2018/03/13/why-doesnt-heat-treating-affect-steel-flex/
When you are pressing the edges together I don’t see a clear winner in terms of toughness.
It may be that Niolox wins in certain toughness tests. Or maybe my Niolox isn’t very good. Regardless, I’m not confident that your testing showed that Niolox is superior.
New to the blog, so I’m reading older posts first.
I’m no metallurgist, steel is just a hobby for me.
Would like to ask two questions though:
I’ve read that the benefit of niobium in steel is supposed to be intragranular carbide precipitation instead of carbides forming at the grain-to-grain-boundaries as they usually do. Would it be possible to confirm that on an electron-microscopic picture?
Also, I’m only familiar with EM work on biological samples. How do you prepare a sample of steel for EM scanning?
Thank you for posting this work!
Regards,
Peter
Hi Peter,
I’m not 100% sure where the claim is coming from with niobium carbide precipitation locations. There are two possibilities I am aware of:
1) With the relatively high niobium additions in knife steels, niobium carbides form in the liquid prior to solidification of the rest of the steel. Vanadium in sufficient amounts will lead to the same behavior. When vanadium or chromium carbides are dissolved and then re-precipitate during cooling they tend to do so along grain boundaries which can be deleterious to toughness. Grain boundaries are preferential sites for nucleation. When niobium is added in a relatively large amount (>0.5% or so) they are very stable and unlikely to dissolve during austenitizing or forging. Though carbides pin grain boundaries so the carbides still tend to be located at the boundaries.
2) With microalloyed steels very tiny niobium carbides can precipitate within grains or by an “interphase” mechanism leaving them within grains but none of that is really relevant to knife steels as the carbides are not being dissolved or re-precipitated. This may be the source of the information about the location of niobium carbide precipitation.
Preparation of steel samples for Scanning Electron Microscopy: the steel is typically cross-sectioned, mounted in bakelite or epoxy, ground and polished to 1 micron or finer, and then etched with an appropriate etchant such as Nital. The etchant is chosen based on the type of steel and what microstructure feature is being studied.
Good Morning Larrin,
I know this is an old thread, but … here’s a link to an old thread on Messerforum.net when we started to introduce Niolox/SB1/1.4153.03 to the German knife nerd community. There are two micrographs of Niolox in my post, IIRC the micrographs directly came from Lohmann Stahl, the producer of said steel.
https://www.messerforum.net/threads/rwl34-vs-1-4153-03.36939/
🙂
Best regards,
Lars
It says in the thread that the micrographs are not from Niolox.
Thanks for the reply, you are right. My apologies! I will have to go through my posts once more. I am sure we posted the micrographs somewhere…